产品概述 联系我们
紧凑型三相三线线路滤波器
- 全系输出接线端采用端子式设计。
- 出色的衰减特性: 150 kHz 至 30 MHz。
- 出色的抗饱和性,电缆长度可达 50 m。
特点和优点
-
新型安全的接线端子是可以快速、轻松的完成接线。
-
EBK5 滤波器按照 EN 55011 标准确保符合 Class A 限制,直至 50 米电缆长度以及更长。此外,它们还能显著地有助于满足 Class B 限制。
-
EBK5 滤波器安装在进线端,可以提高系统可靠性和抗干扰性。
-
具有出色抗饱和性和出色热性能的共模电感是 EBK5 设计的重要组成部分。因此,即使在干扰很多和满载条件下,滤波器也能保持预期的滤波性能。
典型应用
-
三相变速电机驱动器、伺服驱动器、逆变器和转换器
-
能量转换设备(如机器或过程自动化设备)的应用
-
暖通空调设备、电梯、电源、UPS 和其他三相应用
电气参数
-
最大连续工作电压:
3x 480/277 VAC
-
频率:
DC 至 60Hz
-
额定电流:
5 至 200 A
-
过载能力:
4倍额定电流在设备接通瞬间
1.5倍额定电流持续1min,每小时一次
-
冷却方式:
自然冷却
-
防护等级:
IP20
-
温度范围(运行和存储)
-25°C to +100°C (25/100/21)
-
耐压测试
P –> E 2650 / 2750 VDC 2s
P –> P 2100 / 2250 VDC 2s
-
设计标准:
IEC/EN 60939;IEC EN 61000-6
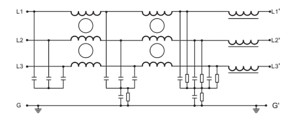
典型电气原理图